
APPLICATION: MEASURING THE TOTAL VOLUME OF COLD POTABLE WATER PASSING THROUGH THE METER,IT'S SUITABLE FOR DOMESTIC USE.
OPERATING CONDITION:
THE MAX.ADMISSIBLE WATER PRESSURE: 1.6MPa.
WATER TEMP.: UP TO 50℃
SPECIALITY:
* LARGE MEASURING RANGE, HIGH FLOW ACCURACY.
* STEADY ERROR CURVE.
* LONG LIFE OF SERVICE
* RELIABLE OPERATION.
* MAGNETIC SHIELD PROTECTION.
* NEGLIGIBLE HEAD LOSS AT WORKING FLOW–RATES.
* SEALED & VACCUMIZED REGISTER WITHOUT ANY CONDENSATION PROBLEM.
Maximum permissible error:
Between qt (included) and qs is ±2%;
Between qmin and qt (excluded) is ±5%.
NOTE: The technical data conform to ISO4064 standard, class C.
FLOW-ERROR CURVE

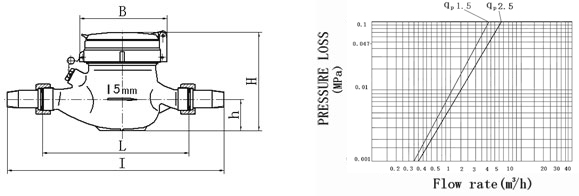
SPECIFICATION AND OVERALL DIMENSIONS
Description |
Unit |
Hydraulic data and dimensions |
Nominal size |
mm |
15 |
20 |
inch |
1/2 |
3/4 |
Overload flow-rate (qs) |
m3/h |
3 |
5 |
Permanent flow-rate (qp) |
m3/h |
1.5 |
2.5 |
Transitional flow-rate (qt) |
l/h |
22.5 |
37.5 |
Minimum flow-rate (qmin) |
l/h |
15 |
25 |
Min. reading |
l |
0.05 |
0.05 |
Max. reading |
m3 |
99999 |
99999 |
Nominal pressure |
MPa |
1.6 |
1.6 |
ΔP at the qs |
MPa |
≤0.10 |
≤0.10 |
L |
mm |
165 |
190 |
I |
mm |
245 |
292 |
H |
mm |
112 |
112 |
h |
mm |
35.5 |
35.5 |
B |
mm |
98 |
98 |
Weight |
Without connections |
Kg |
1.26 |
1. 44 |
With connections |
1.43 |
1.70 |
OVERALL DIMENSIONS PRESSURE LOSS CURVE

|